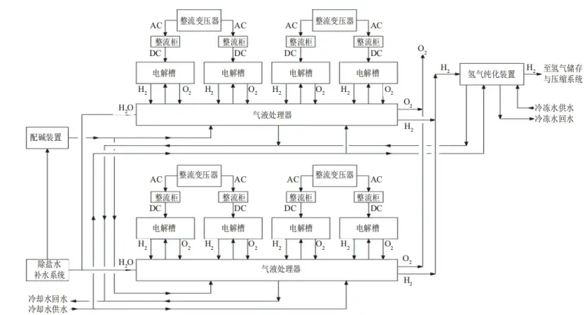
随着水电解制氢项目规模的发展,水电解制氢装备大型化、集约化成为研究人员关注的焦点,水电解制氢装备在大型化的同时做到多对一形式的集成化、模块化已是势在必行。以碱性水电解制氢系统为例,目前大型项目普遍采用的配置方案:①工艺设备为4台或2台电解槽共用1套气液处理器,2套气液处理器共用1套氢气纯化装置;②辅助设备为每个厂房共用1套补水装置和配碱装置,冷却装置全厂共用;③电控设备为1台整流变压器带2台整流柜,每台整流柜对应1台电解槽。大型水电解制氢系统流程如图1所示。
1 系统典型配置方案
采用多对一的形式能够有效降低项目投资,4台电解槽共用1套气液处理器与1台电解槽对应1套气液处理器相比,能够降低气液处理器投资50%以上;2套气液处理器共用1套氢气纯化装置与1套气液处理器对应1套氢气纯化装置相比,能够降低氢气纯化装置投资30%以上;1台整流变压器带2台整流柜与1台整流变压器带1台整流柜相比,能够降低整流变压器投资30%以上。同时更少的设备也能够节约占地,降低对应的土建工程量,减少投资。

图1 大型水电解制氢系统流程图
从目前已经建成的项目经验来看,多对一的配置方案存在的问题主要是牺牲了部分的运行灵活性,以4台产氢气量为1000Nm3/h的电解槽共用1套氢气处理量为4000Nm3/h的气液处理器为例,若单台电解槽负荷调节范围为30%~100%,在电解液循环量不变的情况下,系统维持氧中氢(HTO)不超标的负荷调节范围通常只能达到1200Nm3/h~4000Nm3/h,这是因为经过分离器分离后的电解液中依然存在部分饱和甚至过饱和的氢气和氧气,这部分氢气和氧气伴随电解液合并母管后进入电解槽中,当电解槽负荷下降时,产氧量下降,而电解液循环量不变,氧侧带出的氢气量也基本不变,因此造成了氧中氢的超标,针对这一问题,建议采取的解决方式是对每台电解槽设置独立的电解液循环泵,并设置变频,当电解槽低负荷运行时,循环泵也调整至适宜的循环量,从而降低氧中氢含量,在确保系统安全稳定的同时,增大系统的负荷调节范围。
2 主厂房布置方案
氢气在我国属于重点监管的危险化学品,制氢厂房属于甲类厂房,需要满足GB50177—2005《氢气站设计规范》、GB50016—2014《建筑设计防火规范(2018年版)》、GB55037—2022《建筑防火通用规范》的要求,此外,国家安全监督管理总局、住房和城乡建设部发布的《关于进一步加强危险化学品建设项目安全设计管理的通知》(安监总管三〔2013〕76号)中提出,具有爆炸危险性的建设项目,其防火间距应至少满足GB50160—2008《石油化工企业设计防火标准(2018年版)》的要求。
在以往的小型水电解制氢项目中,通常只有1台~2台小型电解槽,系统总功率较小,通常采用6kV或10kV供电至整流变压器高压侧,变压整流后通过铜排输送至电解槽。主厂房为单层甲类建筑物,耐火等级二级,包括电解间、辅助间、配电间、电子设备间和就地化验室等,通过在电解间和其他车间之间采用耐火极限不低于3h的不燃烧体防爆防护墙隔开,以满足相关规范要求。
在大型水电解制氢项目中,由于电解槽数量较多,系统总功率较大,往往达到几十兆瓦甚至几百兆瓦级,整流变压器高压侧电压通常为10kV或35kV。GB55037—2022《建筑防火通用规范》全文均为强制性条款,其4.2.4条“与甲、乙类厂房贴邻并供该甲、乙类厂房专用的10kV及以下的变(配)电站,应采用无开口的防火墙或抗爆墙一面贴邻……其他变(配)电站应设置在甲、乙类厂房以及爆炸危险区域外,不应与甲、乙类厂房贴邻。”整流变压器属于变电站,配电柜属于配电站[8],因此,当整流变压器和(或)配电柜高压侧电压为10kV及以下时,整流变压器间可以与制氢车间贴邻布置在一个建筑物内,并采用防火墙隔开以满足规范要求;当整流变压器和(或)配电柜高压侧电压为10kV以上时,整流变压器间不应与制氢车间贴邻布置在一个建筑物内,应脱开布置并满足GB50160—2008《石油化工企业设计防火标准(2018年版)》中的间距要求,可按照装置区内变配电所与可燃气体甲类房间的间距进行控制,即不小于15m。
除了确定变配电站与制氢车间的布置方案以外,制氢设备布置间距应满足GB50177—2005《氢气站设计规范》的要求,制氢车间还应满足GB50016—2014《建筑设计防火规范(2018年版)》中的层数、防火分区面积、泄压面积和疏散距离等要求。由于氢气的爆炸危险性较大,其泄压比为0.25m2/m3,在存在贴邻情况下,通常需要房顶和部分未贴邻的墙体作为泄压面积才能满足要求,因此建议按照单层建筑进行设计。单个防火分区建议不超过3000m2,建筑耐火等级可按照二级设计,从而减少投资。制氢车间内任一点至最近安全出口的直线距离不应大于30m,因此对于两长边均有10kV及以下整流变压器间和整流柜间贴邻的建筑格局,应确保长边设置足够的疏散通道。
大型水电解制氢项目所采用的设备重量较大,以产氢量1000Nm3/h的电解槽为例,重量大约40t~50t,因此主厂房布置方案应同时考虑设备检修方式。对于电解槽,需要整体拆卸返厂大修,采取的方式主要有2种:一种是拆卸屋面,通过大型起重机吊装;另一种是在屋面预留检修起吊孔,吊起后通过液压搬运车运输,从检修的便利性和降低检修费用的角度出发,建议采用后者。对于气液处理器、氢气纯化装置以及动设备的检修,可以结合实际情况设置桥式起重机或移动式吊装设备,若采用桥式起重机,则制氢车间应考虑桥式起重机轨道所需的高度。
某项目建设产氢量16000Nm3/h碱性水电解制氢系统,包括16台产氢量1000Nm3/h的碱性电解槽,4台4000Nm3/h的气液处理器,2台8000Nm3/h的氢气纯化装置,以及配套的辅助和电控设备。由于整流变压器高压侧电压为35kV,主厂房采用1座制氢车间和2座电气楼中间隔开16m的布置形式,以满足GB55037—2022《建筑防火通用规范》和GB50160—2008《石油化工企业设计防火标准(2018年版)》的要求。制氢车间尺寸为64m(L)×44m(W),车间内布置16台电解槽、4台气液处理器、2台氢气纯化装置和辅助装置,建筑耐火等级为二级,墙壁和屋顶均采用轻质泄爆材料,能够满足泄爆面积要求;设置4个对外疏散通道,满足疏散距离要求;电解槽上方的屋顶预留检修起吊孔,吊起后通过液压搬运车运输,气液处理器和氢气纯化装置上方设置20t防爆桥式起重机,用于压力容器和动设备的检修。电气楼尺寸为64m(L)×13.5m(W),包括整流变间、整流器间、配电间和电子间,用于布置整流变压器、整流柜、配电柜和控制柜等电控设备,建筑耐火等级为二级,电子间设置抗爆墙,以满足GB/T50779—2022《石油化工建筑物抗爆设计标准》的要求。推荐的布置方案如图2所示。

图2 16 000 Nm3/h 碱性水电解制氢系统主厂房布置图

图3 中国石化新疆库车绿氢示范项目厂房内部(图片来源:隆基绿能)
3 结语
水电解制氢技术成熟,但目前已投产的大型水电解制氢项目较少,且或多或少存在一定的问题。本文探讨了大型水电解制氢系统的典型配置方案,对其优势和存在的问题进行了分析,提出了解决方案,并从安全标准、运行检修等方面针对大型水电解制氢主厂房的布置方案进行了研究,提出了推荐的布置方案。相信未来随着大型水电解制氢项目的逐步落地,设计和运行经验将不断丰富,推动技术迭代和产业体系螺旋上升,促进“双碳”目标早日实现。
